- 語言

紅運管線式勻漿機優(yōu)勢:
1、管線式的投資成本,為同等漿料產量攪拌機的60%;
2、管線式的能耗,只有同等漿料產能攪拌機的48%;
3、管線式勻漿機所占用面積,只有同等漿料產能攪拌機的35%,大大地降低了除濕及空調的功率;
4、用管線式制作漿料,不會破壞活性物質材料界面結構;
5、故障率及維護成本,遠遠低于傳統(tǒng)攪拌機;
6、管線式為漿料全容積全接觸式混合及分散,不會像攪拌機那樣,漿料會飛濺到桶體上邊,形成死料影響漿料品質;
7、紅運公司憑借對電池漿料制漿工藝的深刻理解與掌控,會大大減少客戶在制漿方面的憂慮。
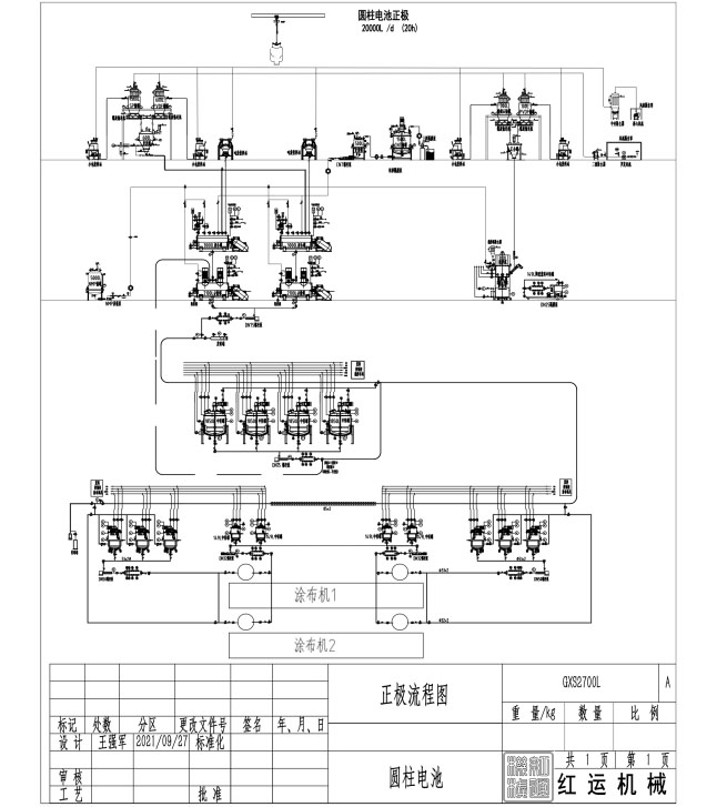
紅運管線式勻漿車間流程圖:
紅運管線式勻漿機做出的漿料結果:
用紅運管線式勻漿機制作的三元+錳酸鋰+CNTS配方漿料電鏡,2萬倍電鏡顯示CNT形成網狀覆蓋于活性物質表面,表明管狀CNT被完全分散開了!
紅運管線式121min做出的負極漿料極片電鏡,SP已完全分散,均勻地分布于活性物質表面!
管線式做的正負極漿料48小時沉降檢驗記錄
紅運管線式做處的漿料極片金相分析